4 tons spil
Produkt oversigt

Et hydraulisk spil er en spilanordning, der bruger et hydraulisk system til at levere kraft. Den består normalt af hydraulisk motor, hydraulisk pumpe, hydraulisk ventil og spilhus. Hydrauliske spil bruges normalt i situationer, der kræver høj effekt, højt drejningsmoment og kontinuerligt arbejde, såsom skibe, fiskeri, miner, byggepladser mv.
Arbejdsprincippet for det hydrauliske spil er at bruge højtryksolien, der genereres af det hydrauliske system, til at drive den hydrauliske motor og derved drive spilkroppen til arbejde. Fordi det hydrauliske system har en stor effekt og drejningsmoment, kan det hydrauliske spil udføre nogle tunge opgaver, som traditionelle spil ikke kan klare.
Spil Display




Produktkarakteristik
1. Stærk kraft: Det hydrauliske system giver en stor effekt, som kan opfylde arbejdsbehovene for høj effekt og højt drejningsmoment.
2. Kontinuerlig drift: Da det hydrauliske system har karakteristika for kontinuerlig olieforsyning, kan det hydrauliske spil arbejde kontinuerligt i lang tid uden overophedning.
3. Fleksibel kontrol: Ved at styre den hydrauliske ventil for at justere arbejdstrykket og flowet af det hydrauliske system, kan der opnås præcis kontrol af spillet.
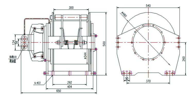
Spil parameter

|
Udgangsmoment (maksimalt)
|
2266N.M
|
|
Reduktionsforhold
|
5 i
|
|
Ståltovsvikling antal lag
|
4
|
|
Specifikation af ståltov
|
φ11
|
|
Output omdrejning (nomineret)
|
66Nnom(r/min)
|
|
Bremseåbningstryk
|
0.8 -1.5Mpa
|
|
Køremotor model
|
BM5 serie/ekstraudstyr
|
|
Smøreolie specifikation
|
1,5 L fedt
|
|
Løftevægt
|
1 T
|
|
Hejsehastighed
|
30-40m/min
|
Spil projekt


Virksomhedsoplysninger



Populære tags: 4 tons spil, Kina 4 tons spil producenter, leverandører, fabrik
Et par af
5 tons spilNæste
3 tons spilDu kan også lide
Send forespørgsel













